Zurück zum Menü 5
5.1.4 Grundschaltungen der anderen Picaxes

Erstellt: Winter 2006/2007



Hier sind einmal die Grundschaltungen der anderen PICAXES:



-------------------------------------------------------------------------------


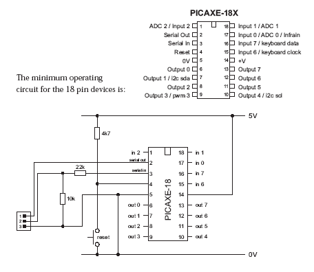
(PICAXE 18)

(1 = Pin 2 an RS 232)
(2 = Pin 3 an RS 232)
(3 = GND an RS 232)

Achtung: Wenn die Picaxe nach dem Programmieren in ein anderes
Board gesteckt wird, muss man den Pin 3 (serin) auf Masse und Pin 4 (reset) auf Plus 5 Volt legen, sonst gibt es Komplikationen und die Picaxe läuft nicht richtig.




(PICAXE 28)

(1 = Pin 2 an RS 232)
(2 = Pin 3 an RS 232)
(3 = GND an RS 232)

Achtung: Wenn die Picaxe nach dem Programmieren in ein anderes
Board gesteckt wird, muss man den Pin 6 (serin) auf Masse und Pin 1  (reset) auf Plus 5 Volt legen, sonst gibt es Komplikationen und die Picaxe läuft nicht richtig.




(PICAXE 40)

(Programmierstecker, Pin 1 bis 3 wie bei der PICAXE 28)

Achtung: Wenn die Picaxe nach dem Programmieren in ein anderes
Board gesteckt wird, muss man den Pin 6 (serin) auf Masse und Pin 1 (reset) auf Plus 5 Volt legen, sonst gibt es Komplikationen und die Picaxe läuft nicht richtig.

Bei dem letzten Bild ist zu beachten, dass diese PICAXE genau so angeschlossen wird, wie die Version "28". Lediglich die Anschlüsse für den Resonator liegen nun auf PIN 13 und 14.

Für alle drei PICAXEs kann auch das erweiterte Interface verwendet werden, wie es hier zu sehen ist.

(Quelle: PICAXE-PDF-Manual 1 )




Nach oben            Zurück zum Menü 5