Zurück zum Menü 3
3.0.1 Ausschaltung

Erstellt: Sommer 2003


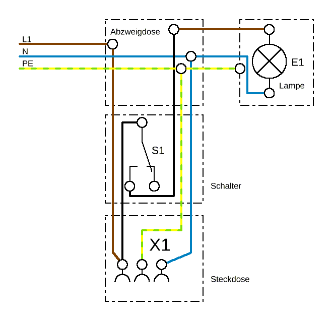
Hier auch noch einmal die einfache Ausschaltung in zusammenhängender Darstellung.

  • L1 ---> Außenleiter 1 -- schwarz (umgangssprachlich "Phase")
  • N  ---> Neutralleiter -- blau (umgangssprachlich "Null")
  • PE ---> Schutzerde (protection earth) -- grün-gelb (umgangssprachlich "Erde")



Wie man ganz deutlich sieht, hat man die Schaltung so zu verklemmen, dass der Außenleiter geschaltet wird (schwarze Ader) und der Null an der Lampe "verbleibt" (blaue Ader).

Anderenfalls könnte man die Lampe zwar trotzdem ausschalten, aber die Lampenfassung stünde auch im ausgeschalteten Zustand unter Spannung. Man an könnte dann trotz ausgeschalteter Lampe einen Stromschlag bekommen, wenn man z.B. eine defekte Glühlampe auswechseln möchte.

Bei einer Lampenfassung sollte stets der Fußkontakt mit dem geschalteten Außenleiter verbunden sein und das Gewinde der Fassung mit dem Neutral-Leiter. Dadurch wird ein Berühren der Netzspannung noch besser vermieden, da man normalerweise den Fußkontakt der Fassung nur recht schwer berühren kann, das Gewinde aber sehr leicht.

Bitte also darauf achten, dass man die Lampenfassung nicht einfach "irgendwie" anklemmt.

Bei metallenen Gehäusen ist der Anschluss des PE unbedingt vorzunehmen.


Netzspannung ist lebensgfährlich !


Oft sieht man direkt unter dem Schalter eine Steckdose. Diese Steckdose kann man mit einem vieradrigen Kabel anschließen. Dabei sollte man aber beachten, dass man den Außenleiter (die "Phase") an der Klemme an der Steckdose abgreift und nicht an der Klemme des Schalters, da die Klemme des Schalters oft nur für 10 Ampere ausgelegt ist:



Oft sieht man, dass z.B. Bauteile mit Schrauben im Inneren festgeschraubt werden und diese Schrauben dann durch das Gehäuse nach außen ragen. Das darf in diesem Fall nicht sein.

Auch darf man keine Schrauben und Nägel einfach durch die Rückwand von Abzweigdosen treiben. Leider sieht man das immernoch sehr oft. Das ist lebensgefährlich, denn bei einer Störung innerhalb der Abzweigdose könnte dann die ganze Wand unter Spannung stehen, auf der die Abzweigdose montiert ist.



Wer unbedingt etwas mit Schrauben befestigen möchte, die nach außen ragen, der sollte zu Nylonschrauben greifen, die es inzwischen in den einschlägigen Elektronik-Versandhäusern zu kaufen gibt:









Ich wünsche allzeit unfallfreie Installationsarbeiten.


Netzspannung ist lebensgefährlich !!!




Viel Erfolg,




Nach oben            Zurück zum Menü 3