Zurück zum Menü 1
1.2.17 Reflexkoppler MRL 601 erkunden

Erstellt ab: 20.10.2012



Ich erhielt neulich einen Auftrag, für eine sich drehende Welle eine Drehzahlanzeige zu erstellen.  Natürlich dachte ich dabei gleich an die Nutzung einer Picaxe. Aber auch der zu verwendende Sensor hat natürlich einen großen Einfluss auf das Ergebnis.

Ich dachte zuerst daran, einfach einen Magneten auf die Welle aufzubringen und dann einen Reed-Kontakt einzusetzen, aber dann fiel mir ein, dass mechanische Schalter ja prellen und ich dann eventuell Probleme mit dem Erfassen des Signals bekommen könnte.

Nun wollte ich den Reed-Kontakt aber nicht aufwändig entprellen und schaute bei Conrad nach anderen Sensoren.

Nach einiger Zeit fiel mir der Miniatur-Reflexsensor MRL-601 ins Auge und ich bestellte ein Exemplar davon.

Schon bald wurde der Sensor geliefert und die Verpackung enthielt folgende Teile:



  • Sensor mit 20 cm langem Kabel, das fertig angebaut ist
  • Befestigungsclip
  • kleines Datenblatt
Zunächst sollten wir uns dem Datenblatt widmen und einmal einen Blick hineinwerfen, wie der Sensor aufgebaut ist, um ihn an eine Testschaltung anschließen zu können:

Download Datenblatt (PDF)

Darin steht unter anderem dies hier:



Links sieht man den internen Aufbau des Sensors und seinen Strahlweg. Was uns aber zunächst interessieren sollte, sind die Maximalwerte, die der Sensor vertragen kann. Diese sind im rechten Teil des Bildes zu sehen.

IR-Diode:
  • U_R = Sperrspannung der Sendediode
  • I_F = Maximaler Diodenstrom
  • U_F = "Brennspannung" der Sendediode
  • P_tot = maximale Verlustleistung der Sendediode
Fototransistor:
  • U_CE = Maximalspannung an der Kollektor-Emitter-Strecke
  • I_C = Maximalstrom durch den Transistor
  • P_tot = maximale Verlustleistung des Transistors
Da ich beabsichtige, diesen Sensor bei 5 Volt zu betreiben, berechne ich hier einmal beispielhaft den unbedingt nötigen Vorwiderstand der Sendediode:

R_V = (U_cc - U_F) / I_F

Wobei:

  • R_V = Vorwiderstand
  • U_cc = Versorungsspannung
  • U_F = "Brennspannung" der Sendediode
  • I_F = Strom durch die Diode
Daraus ergibt sich bei einem angenommenen Strom von 30 mA, der durch die Diode fließen soll:

R_V = ( 5V - 1,25V) / 0,03A ==> 3,75V / 0,03A ==> 125 Ohm

Ich wähle 120 Ohm.

Das ist aber nur die halbe Schaltung. Natürlich müssen wir den Empfangstransistor auch noch entsprechend beschalten, um den Reflexsensor testen zu können. Aus Gründen der Einfachheit wähle ich einfach eine Low-Current-LED, die ich mit einem 1k Widerstand in Reihe vor den Kollektor des Fototransistors schalte:



Diese Schaltung stecke ich erst einmal, um einen groben Überblick über den Sensor zu bekommen.

Bei der Begutachtung dieser Schaltung fiel mir auf, dass doch reichlich wenig Strom fließt. Selbst eine Low-Current-LED leuchtet reichlich dunkel wenn man den Sensor über eine weiße Fläche hält.

Da müssen wir also noch einmal Hand anlegen, und einen MOS4093-Schmitt-Trigger hinzu bemühen, um ein schönes, steiles und sauberes Schaltsignal für die Low Current LED zu bekommen:




Aha, jetzt bekommen wir ein sauberes LED-Signal. Aber es wird uns auffallen, dass der Sensor auf einem normalen weißen Blatt Papier nicht so recht anzeigen möchte, obwohl es natürlich auf einer spiegelnden Metalloberfläche schonmal wunderbar funktioniert. Mit dieser Schaltung ließen sich also spiegelnde Metalloberflächen schonmal gut detektieren.

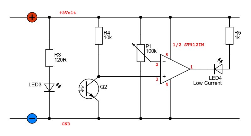
Aber das genügt dem lieben Strippensrolch natürlich noch nicht. Ich werde das Signal also jetzt mit dem von mir favorisierten Operationsverstärker TS912IN (Rail to Rail-OP) so verstärken, dass sogar die Empfindlichkeit des Sensors einstellbar wird.

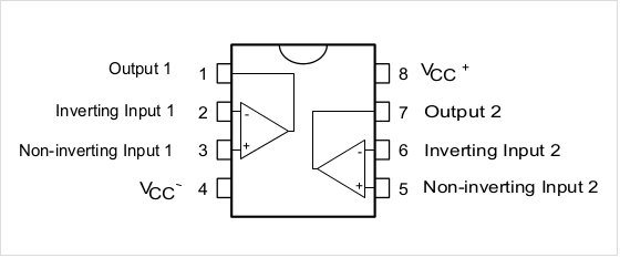
Dazu können wir uns gern auch einmal das Datenblatt des ST912IN anschauen:


Als Exzerpt daraus habe ich hier einmal das Pinout gewählt:



Daraus bauen wir uns diese Schaltung:



Hier sehen wir jetzt sehr schön, dass wir unsere Schaltschwelle einstellen können.

Nun erkennt der Sensor sowohl glänzendes Metall, als auch normales, weißes Papier, je nach Einstellung des Potis.

Natürlich geht das auch mit umgekehrter Logik:



Diese Schaltungen können dann als Grundlage für weitere Schaltungen dienen.

Was ? --------------- Ihr wollt noch mehr lesen ?

Na gut:


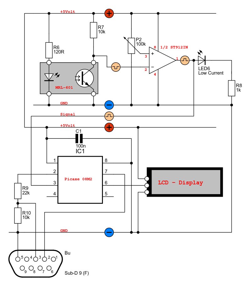
Ich erhielt kürzlich einen Auftrag und sollte an einer sich sehr langsam drehenden Welle die Drehzahl erfassen. Nach einem etwas lägeren Emailwechsel entschied sich der Auftraggeber, die Drehzahl einfach nur als Zahlenwert auf einem LCD-Display ablesbar zu machen.

Ok, ich nahm also eine Picaxe 08M2 und baute vorne die obere Schaltung dran und hinten ein AXE033-er Diplay. Das sah dann erstmal so aus:



Das ist also ein sehr, sehr einfacher Aufbau mit wenig Bauteilen drum herum. Der Auftraggeber teilte mir mit, dass die Welle einen Durchmesser von etwa 40 mm haben würde. Also erstellte ich einen "Zebrastreifen" mit 30 hellen und 30 schwarzen Flächen, die ich probeweise auf eine 40er Welle klebte, die ich in meine Drehmaschine eingespannt hatte. Das sah dann so aus:



Im unteren Bereich ist der MRL-601 zu sehen, der hier provisorisch mit Isolierband festgeklebt ist.

Nun schrieb ich dieses kleine und feine Programm für die Picaxe und startete den ganzen Versuch:



Im Stillstand der Welle zeigte das Display also dieses hier an:



Und im Rotations-Betrieb war dann so etwas zu sehen:



Ich habe den Zahlenwert absichtlich "Drehwert" genannt, damit der nicht mit der tatsächlichen Drehzahl verwechselt wird. Der Auftraggeber ließ ja zu, dass da irgend ein Wert angezeigt wird, der der Drehzahl proportional ist. Diese Absprache hat den Aufbau dann auch sehr schön einfach und kostengünstig gemacht.

Nach einiger Bastelei war die Platine dann fertig:



Hier nochmal das Layout und die fertige Platine:






Wir schreiben inzwischen den 22.12.2015 ==>

Die gleiche Platine habe ich inzwischen für einen weiteren Handwerker gemacht, der damit die tatsächliche Drehzahl einer Riemenscheibe ermitteln und anzeigen möchte.

Er baute die Platine in ein sehr exquisites Gehäuse ein, das einen absolut professionellen Eindruck macht:


(C) Foto: Herbert S.

Links sehen wir den absolut professoinell in einem Alu-Gehäuse verbauten Sensor, dann das Maschinenteil in Grün, und rechts das sehr schöne Gehäuse für die Platine. Das ganze wurde mit einem guten Kabel mit Stahlummantelung verbunden.

(C) Foto: Herbert S.

Oben sehen wir den Prüfaufbau, der mit einem Stativ durchgeführt wurde. Unterhalb des Sensors ist noch die nötige, weiße Farbmarkierung gerade so zu sehen.

Vielleicht ist es noch nötig, den Sensor auf induktive Drehzahlerfassung umzubauen, denn der Handwerker hat im eigentlichen Betrieb des Maschinenteils Probleme mit Schmutz bekommen, der die weiße Farbmarkierung so weit abgedunkelt hat, dass es zu Leseproblemen kam.

(C) Foto: Herbert S.

Auf dem Foto oben ist zu erkennen, wie der Sensor in das Alu-Drehteil eingepasst wurde. Eine absolut robuste Konstruktion.


(C) Foto: Herbert S.

Ich schrieb dem Handwerker, dass man die Schwierigkeiten mit dem Schmutz vielleicht noch durch eine veränderte Kalibrierung der Schaltung  aus der Welt schaffen könne. Mann kann nämlich die Empfindlichkeit des Sensors mit dem blauen Poti auf der Platine in weiten Grenzen abgleichen und so empfindlich einstellen, dass der Schmutz weniger relevant wird.

Außerdem könnte man den Kontrast "Schwarz / Weiß" erhöhen, wenn man die Riemenscheibe zunächst schwarz einfärbt (vielleicht sogar brüniert) und danach eine richtige Reflex-Marke aufbringt, etwa einen Punkt aus reflektierendem Klebeband.

Bei Conrad-Elekronik gibt es solches Klebeband zu kaufen, was speziell reflektierend für KFZ und LKW hergerichtet wurde, so dass es schmutzabweisend und stabil ist:

Reflex-Klebeband im Conrad-Shop

Es bleibt nun abzuwarten, was der Handwerker unternehmen wird, um den Kontrast zwischen Riemenscheibe und Reflex-Marke zu erhöhen und ob das ausreicht, den Verschmutztungen Herr zu werden.
 
Präzise Signale wünscht

 

Mit freundlicher Unterstützung durch:



Ingenieurbüro für Microelectronic Volkmann
 


Nach oben            Zurück zum Menü 1