Zurück zum Menü 1
1.4.1 Verhalten eines Kondensators

Man kann das Ladeverhalten eines Kondensators recht gut mit einem Oszilloskop darstellen, man kann auch eine Messreihe machen und daraus eine Lade-. oder Entladekurve erstellen.

Das ist uns aber viel zu aufwändig, wir wollen lieber eine einfache Schaltung basteln, die uns das Verhalten eines Kondensators näher bringt. Wir benutzen dazu die Brettschaltung, da das dann sehr schön einfach wird.

Bauteile:
        • 1 Brettchen, etwa 10 cm mal 20 cm, 1 cm dick
        • 2 Flachbatterien 4,5 Volt
        • 3 Krokodilstrippen
        • 2 Widerstände 330 Ohm
        • 2 Leuchtdioden, rot , Standard
        • 1 Elektrolytkondensator 1000µF, 16 Volt
        • 1 Umschalter 1xUM
        • 1 Schachtel Reißbrettstifte aus Messing ohne Plastikkappen
        • Etwas Schaltdraht (Silberdraht oder Telefondraht)

Durchführung:

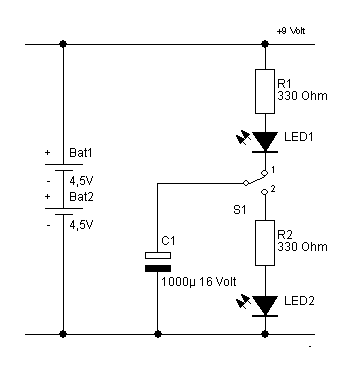
Baue damit folgende Schaltung auf:




So könnte Deine Brettschaltung aussehen:









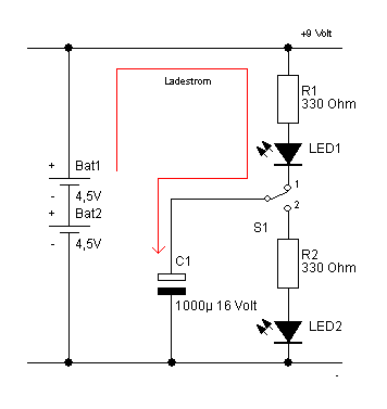
Wenn du nun den Schalter in Position 1 bringst
, dann fließt ein Strom durch den Widerstand R1 und die Leuchtdiode LED1 in den Kondensator C. Der Kondensator lädt sich dabei immer mehr auf und der Strom nimmt dabei immer mehr ab, bis er schließlich ganz aufhört zu fließen. Das kann man gut an der LED 1 beobachten. Wenn die LED 1 erloschen ist, ist der Kondensator geladen.























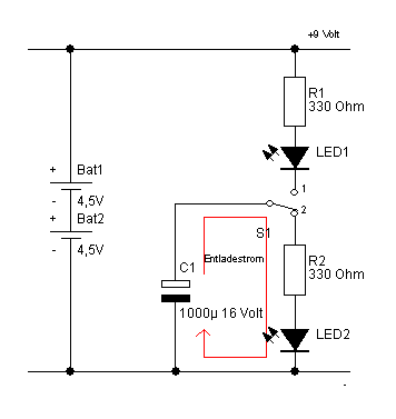
Wenn du dann den Schalter in Position 2 schaltest
, so wird der Kondensator über den Widerstand R2 und die LED 2 entladen, es fließt über diese Bauteile der Entladestrom. Das kannst du dann an der LED 2 beobachten. Wenn die LED 2 erloschen ist, ist der Kondensator "leer", also wieder entladen.











Du kannst auch die Ladung über eine gewisse Zeit im Kondensator speichern. Lade dazu den Kondensator und klemme danach die Batterien ab. Nun warte einige Zeit und schalte dann den Schalter um. du wirst nun beobachten können, dass die LED 2 aufleuchtet, obwohl einige Zeit vergangen ist und die Batterien abgeklemmt waren.







Experiment:

Besorge Dir verschiedene Kondensatoren mit unterschiedlichen Kapazitäten, etwa 50µF, 100µF, 2200µF und 4700µF (immer bitte mit möglichst 16 Volt, da die Bauteile später weiterverwendet werden sollen). Löte nun diese Kondensatoren anstatt des 1000-er Kondensators in die Schaltung und beobachte die Veränderungen im Verhalten der Schaltung.

Wie lang sind die "Leuchtzeiten" nun ?


Wirf die benutzten Reißbrettstifte nicht weg, denn die kann man immer wieder verwenden, genau so wie alle anderen Bauteile und das Brettchen.




Nach oben            Zurück zum Menü 1