Zurück zum Menü 5

5.1.13 Embedded System erkunden

Erstellt ab: 12.05.2012



Da habe ich nun so schöne Platinen ersonnen und ich unternehme gar nichts mit diesen Platinen. Das kann natürlich nicht sein und so habe ich mich ein wenig in "Embedded-Systems" eingelesen. In der Wikipedia steht ja ein ganzer Artikel darüber. Wir hier auf dem strippenstrolch.de machen uns die Sache etwas einfacher, denn es handelt sich ja um eine einfache Bastelseite.

Ich nahm also als erstes die Platine 9.1.1 und dann noch dazu eine Platine 9.2.2. Schließlich nahm ich noch einen passenden Schrittmotor hinzu und verkabelte das Ganze:



Dann ludt ich das folgende kleine Probeprogramm auf die Picaxe:


setfreq m8

Do

for w0=0 to 800
low 1
toggle 0
next

for w0=0 to 800
high 1
toggle 0
next


loop


Das Ergebnis funtkionierte auf Anhieb.

Sehr gut, die beiden Platinen arbeiten also schonmal ohne Schwierigkeiten zusammen !

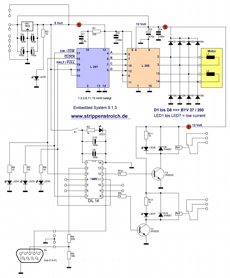
Jetzt müssen wir mal gucken, wie wir aus den zwei Platinen eine einzige mit einem "Embedded System" machen. Dazu holen wir uns erst einmal die beiden Schaltpläne auf diese Seite:

Platine 9.1.1 (Treiber) ==>



Schaltplan in voller Größe

Platine 9.2.2 (Picaxe Lernboard) ==>



Jetzt stellen wir uns die Aufgabe,
diese beiden Schaltpläne auf einer Platine zu kombinieren.


Dabei sollten wir darauf achten, dass überschüssiger Ballast abgeworfen wird, damit das fertige "Embedded System" auch eine weitere, einfache "strolch'sche Platine" ergibt.

Wir sehen also im oberen Schaltbild des Treibers schonmal drei Eingänge, die wir mit der Picaxe bedienen müssen:

  • HALF / Full-nicht (Halbschritt / Vollschritt)
  • CLOCK-nicht (Takteingang)
  • Clockwise/Counterclockwise-nicht (Drehrichtungseingang)

Auf der Platine 9.1.1 sind diese Pins als Klemmen herausgeführt. Die Klemmen benötigen wir am Embedded-System nicht, denn wir wollen den Motortreiber ja mit einer fest installierten (Embedded) Picaxe betreiben. Also fallen schonmal die vier Klemmen auf der Treiberplatine weg.

Ebenso sehen wir im unteren Schaltplan, dass dort eine Picaxe 20M verwendet wurde. Erstens ist diese 20M schon wieder veraltet (grummel) und zweitens hat die 20M viel zu viele Ausgänge, die nur dazu verleiten, zu viel "Gedöns" anzuschließen. Die Wahl sollte also auf eine kleinere Picaxe fallen. Eine 08M2 hingegen wäre ein wenig knapp bemessen, denn nach Anschluss der drei Ausgänge blieben nur zwei Eingänge übrig, um mit der Außenwelt in Kontakt zu treten.

Deshalb fällt hier die Wahl auf eine Picaxe 14M2

Eine 14M2 wiederum hat schon wieder zu viel Ausgänge, weshalb ich mir gedacht habe, dem Embedded System noch zwei Relais zu spendieren, mit denen man dann noch etwas an der Ziel-Applikation schalten könnte.

Gut, da haben wir schonmal ein halbes Pflichtenheft zusammen:

  • Es soll nur eine einzige Versorgungsspannung von 12 Volt geben
  • Es soll ein Schrittmotor für 12 Volt verwendet werden, damit die Platine wartungsfrei wird.
  • Es soll eine Picaxe 14M2 Verwendung finden
  • Die drei Steuer-Eingänge sollen durch je eine Low-Current-LED visualisiert werden
  • Die Schaltzustände der beiden Relais sollen ebenfalls mit je einer low-current-LED visualisiert werden
  • Die restlichen freien Pins der Picaxe sollen auf Klemmen herausgeführt werden.
  • Der Programmierstecker soll mit übernommen werden.
  • Der Schalter für die Picaxenspannung soll übernommen werden
  • Die Picaxenspannung soll zusätzlich mit einer low-current-LED visualisiert werden
  • Die 5 Volt Versorgungsspannung sollen auf Klemmen geführt werden
  • Der Textool-Sockel soll gegen einen herkömmlichen Sockel ersetzt werden
Das ist im groben Rahmen also unser kleines Pflichtenheft zum fertigen Embedded System.

Wenn wir jetzt daran gehen, und den Schaltplan zeichnen wollen, so müssen wir erstmal sehen, ob es eine sinnvolle Auswahl gibt, welche Pins auf den Treiber gelegt werden und welche Pins nach außen auf die Klemmen führen sollen.

Dazu sehen wir uns erst einmal das Pinout der Picaxe 14M2 an:



Wenn wir uns den i2c-Bus erhalten wollen, so fiele die Wahl der Ausgangspins vielleicht folgendermaßen aus:

  • Pin 3 Clock
  • Pin 7 DIR
  • Pin 11 Half / Full
Desweiteren wollen wir ja noch 2 Relais mit einbinden:
  • Pin 8 Relais 1
  • Pin 12 Relais 2
Damit werden dann später folgende Pins auf eine Klemme nach außen geführt:

  • Pin 4
  • Pin 5
  • Pin 6
  • Pin 9
  • Pin 10

Das fertige Embedded System hätte dann also 5 Eingangs/Ausgangs/Pins, an die man auch einen i2c-bus anschließen könnte.


Damit haben wir unser Pflichtenheft komplettiert
und wir können daran gehen, und den Schaltplan zeichnen.


 

Hieraus kann man jetzt eine Platine entwickeln.



Das sieht doch schon sehr vielversprechend aus, wie ich finde. Jetzt kann ich schon daran gehen, und einen Prototypen erstellen, um einmal zu sehen, wo und wie noch etwas geändert werden muss. Die entsprechende Platine sieht dann so aus:



Diesen Prototypen muss ich nun bestücken und dann kann es los gehen, und unser System kann erkundet werden.

Schon bald war das Board fast fertig:



Leider ist es bei Prototypen sehr oft so, dass man noch Teile nachordern muss. So fehlen hier noch die beiden Relais und eine Klemmleiste, sowie ein kleiner Schalter.

Schließlich ist das Board fertig zur Erprobung:





Hier gibt es ein Projekt mit dieser Platine.








Nach oben            Zurück zum Menü 5